In motor control systems, the gate driver is the key interface between the controller (MCU/DSP) and power switches (MOSFETs/IGBTs). It converts low-voltage control signals into high-current drive signals for fast and efficient switching. It also provides isolation between the control and power stages to ensure reliable operation.
To meet diverse design needs, Geehy introduces the GHD144xT series motor gate drivers. This 200V single-phase, medium-voltage, high-speed gate driver IC is designed to drive dual N-channel VDMOS or IGBT devices in bridge configurations. With high integration, reliability, and flexibility, it is well-suited for motor drives and DC-DC conversion applications.
GHD144xT Key Features

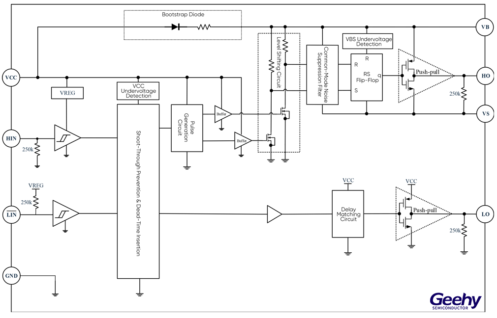
GHD144xT System Block Diagram
Simplified Design, Reduced BOM Cost
• Integrated bootstrap diode removes external components and reduces BOM count.
• Compact SOP8 package saves PCB space and lowers system cost, enabling compact motor designs.
Strong Drive Capability, Improved System Efficiency
• High-speed switching: peak source current 1.6A @ 15V, 35ns fall time with 3.3nF load; peak sink current 1.3A @ 15V, 55ns rise time with 3.3nF load, improving switching speed and reducing losses.
• High dv/dt immunity ensures stable operation in high-frequency environments and minimizes interference.
Comprehensive Protection, Industrial-Grade Reliability
• Wide supply range: 5.5–20V, compatible with 3.3V/5V logic input, floating offset up to +200V.
• Built-in protection: VCC/VBS undervoltage lockout prevents operation under unsafe conditions.
• Accurate dead-time control: integrated 140ns typical dead-time with shoot-through prevention.
• Operating temperature: -40°C to +105°C, suitable for harsh environments such as outdoor and power tools.
Flexible Configuration
Integrated input/output pull-down resistors stabilize signals and improve drive performance. Input/output phase options:
• GHD1440T: HIN/LIN (non-inverting input)
• GHD1441T: HIN/LIN (*inverting input)
Target Solutions

• E-mobility: e-bikes, scooters, electric motorcycles
• Power tools: electric wrenches, screwdrivers, drills, rotary hammers
• Garden tools: lawn mowers, pruners, hedge trimmers, chainsaws
• Cleaning appliances: electric brushes, vacuum cleaners
Geehy’s GHD144xT gate driver addresses key needs for simplified design and improved performance in motor control systems. Leveraging strong industrial experience, Geehy integrates industrial-grade standards across its motor product portfolio. The company offers a complete “MCU + driver + power” ecosystem, supported by proprietary motor control algorithms, enabling tight hardware–software integration and providing high-quality ICs and one-stop system solutions.

The GHD144xT motor gate driver is now available for sampling. For sample requests, please contact your local Geehy sales representative.